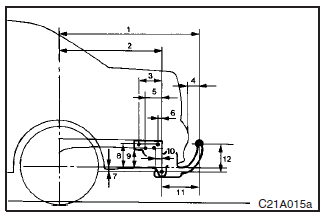
Towing bar mounting specifications

See the following table for fixing points (A) for the towing bar.

See also:
Information screen (when the ignition switch is turned from the “LOCK”
position to
the “ON” position or the operation mode is changed from OFF to
ON)
When the ignition switch is turned to the “ON” position or the operation mode
is put in ON, the display screen switches in the following order.
1- Screen when the ignition switch or the opera ...
To operate without using the keyless operation function
Emergency key
The emergency key is built into the keyless operation key. If the keyless operation
function cannot be used, for example because the keyless operation key battery has
worn out or th ...
Refill capacities
1: Similar high quality ethylene glycol based non-silicate, non-amine, non-nitrate
and non-borate coolant with long life hybrid organic acid technology
2: If so equipped
1: Similar high qu ...
